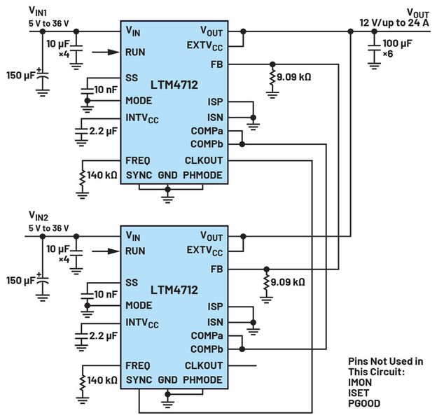
A New-Generation High Current, High Performance Step-Down and Step-Up Buck-Boost μModule Regulator

Back to the Article